>>端子板技术图->图纸分类: (*点击产品图纸可放大)
 总共56页,现在是第10页,总共166条记录,转到 页   上一页    下一页     技术图搜索:
名称:2.5-1
类别:2.5
名称:2.5-2
类别:2.5
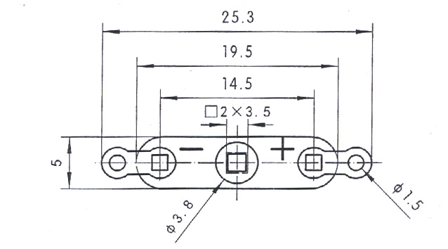
名称:2.5-3
类别:2.5
本网站版权归广东省丰顺县三台电声有限公司所有 Copyright2008