>>端子板技术图->图纸分类:
全部分类
1
2
3.5
4
1.5
2.25
2.5
3
8
10
双头
4孔
5孔
4孔双头
特型
方块
1寸高音
2寸高音
1.5寸高音
3寸高音
4寸高音
110高音
205高音
球顶
夹脚
接地
麦拉
(
*
点击产品图纸可放大)
端子板产品图
总共
56
页,现在是第
31
页,总共
166
条记录,转到
--
1
2
3
4
5
6
7
8
9
10
11
12
13
14
15
16
17
18
19
20
21
22
23
24
25
26
27
28
29
30
31
32
33
34
35
36
37
38
39
40
41
42
43
44
45
46
47
48
49
50
51
52
53
54
55
56
页
上一页
下一页
技术图搜索:
图纸名称
图纸分类
名称:
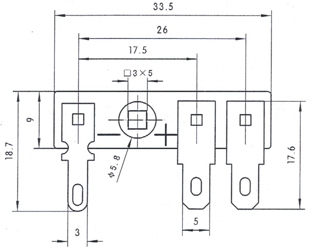
4孔-8
类别:
4孔
名称:
4孔-9
类别:
4孔
名称:
4孔-10
类别:
4孔
喇叭成品样图
端子板技术图
端子板产品图
本网站版权归广东省丰顺县三台电声有限公司所有 Copyright2008